SGV Fluid Controls Private Limited
SGV Fluid Controls Private Limited

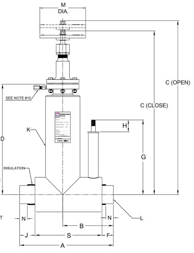
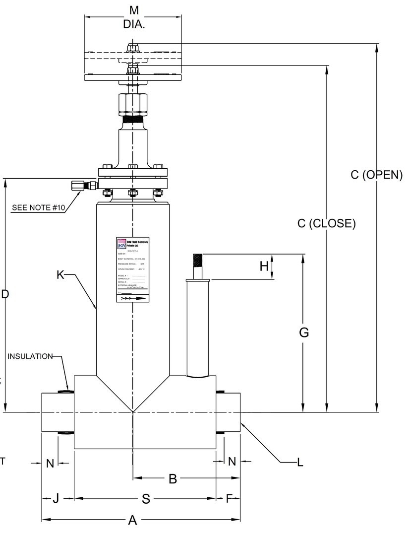
Cryogenic Valve Sample Technical Data

100011 SGV LHe Vacuum Jacketed Globe Valve

  1. Minimum design temperature:       -269°C (-453°F)
  2. Maximum design temperature:        100°C (212°F)
  3. Weight: 15 kg (33 lbs) approx.
  4. Pressure rating: 20 bar (290 psig)
  5. CV value: 23
  6. Helium Mass Spectrometer tested to 3x10-9 CC/Sec
  7. Heat leak: 24.7 BTU/hr (for vacuum jacketed valve)
  8. Testing Procedure:

     Seat Leakage, Pneumatic at 290 psig

     Bubble tight at 290 psig over seat and under seat separately

Additional Examples of SGV Cryogenic Valves

100047 SGV LH2 Non-Jacketed Y-pattern Manual Valve

100383 SGV LH2 Non-Jacketed Y-pattern Automatic Valve - Fail Closed

100362 SGV LH2 Vacuum Jacketed Automatic Globe Valve - Fail Closed

Contact Us At:

For information, email 

info@sgvfluidcontrols.com

 

For sales and distribution, email 

sales@sgvfluidcontrols.com

Print | Sitemap
© SGV Fluid Controls Private Limited